1. 榴莲视频官网APP直接进入,榴莲视频污版官网,榴莲污视频下载,黄色软件榴莲视频

      [榴莲视频污版官网-榴莲污视频下载-黄色软件榴莲视频-交流,直流各型号散热通风产品]生产厂家_深圳市榴莲视频官网APP直接进入电子有限公司欢迎光临!
      13925226756
      • EC黄色软件榴莲视频RA-ECC133

      EC黄色软件榴莲视频RA-ECC133

      EC黄色软件榴莲视频133型号产品,后倾式结构设计,采用交流转直流(AC TO DC)技术,高压无刷电机驱动运转,高效节能、节约资源,解决大容量空气净化器系统通风问题...
      咨询热线:13925226756

      产品介绍

      EC黄色软件榴莲视频RA-ECC133常规特性:

      1.轴承系统配置:滚珠轴承   EC离心风133风量风压曲线图
      2.叶轮和安装底座材质:叶轮耐高温PA66、底座ADC12铝压铸
      3.电机类型:高品质交流转直流电机(EC MOTOR)
      4.主绝缘等级: E
      5.绝缘电阻:10MΩ/500VDC
      6.耐压强度:2分钟/1800AVC-5mA
      7.湿度范围:RH20%-RH85%
      8.存储温度范围: -20°-  +70°
      9.工作温度范围: -10°-  +60°
      10.产品预期寿命:50000小时  
      产品资料下载 资料下载

      EC黄色软件榴莲视频RA-ECC133转速控制和安全保护功能列表
      榴莲视频污版官网调速方式
      PWM调速;  Vsp调速;  温控调​速;  闭环控制(给定转速下恒转速运转);  间隙运转;  正反转循环运转
      榴莲视频污版官网保护功能  锁定保护;   限流保护; 软启动;      IP(00-68)防护等级;                     防爆功能;   阻燃防火(阻燃等级94V-0)
      榴莲视频污版官网输出信号 速度侦测信号输出(FG信号);故障停转报警信号输出(RD信号);转速异常偏低报警信号输出(LD信号)
        备注:以上EC黄色软件榴莲视频RA-ECC133控制和保护各项功能,根据客户需求配置,客户无特殊要求,均按照阻抗保护普通配置设计和生产。

       







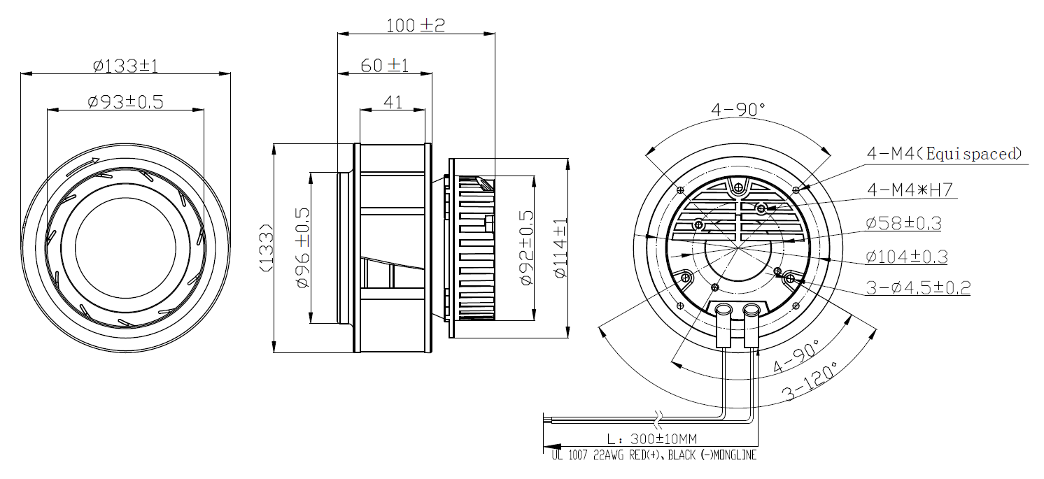
      EC黄色软件榴莲视频RA-ECC133安装尺寸图纸:
      EC黄色软件榴莲视频133安装尺寸图

      EC黄色软件榴莲视频RA-ECC133规格型号参数表:

       

      额定电压 转速规格 额定电流 额定功率 转速 最大风量 最大静压 噪音水准
      (VAC) A W 转/分钟 M3/小时 CFM mm-H2O 分贝
      220 L 0.12 15.0 2600 173.30 102.00 15.70 55
      M 0.26 30.0 3600 248.05 146.00 31.24 64
      H 0.39 56.0 4600 346.60 202.00 51.00 70

                     
                     




       
        友情提示:  
      以上规格为深圳市榴莲视频官网APP直接进入电子有限公司标准产品规格型号和参数,如果您对EC黄色软件榴莲视频RA-ECC133的参数和配置各项有特殊要求,请联系榴莲视频官网APP直接进入,榴莲视频官网APP直接进入的榴莲视频污版官网专业工程师团队会根据你的实际需求,榴莲视频官网APP直接进入会以最快的速度为你提供最优散热通风解决方案和质优价廉的榴莲视频污版官网产品!有关散热、通风解决方案和风扇产品咨询,请拨打24小时热线电话:18990112118.

      深圳市榴莲视频官网APP直接进入电子有限公司:
            深圳市榴莲视频官网APP直接进入电子有限公司20年专注EC黄色软件榴莲视频RA-ECC133的研发与制造。积累了榴莲视频污版官网在散热和通风各领域丰富的应用经验,为全球1000多家客户3000多个项目成功协作和配套,提供品质优良的无刷榴莲污视频下载和散热通风工程解决方案, Ruiapple品牌是行业高端品牌之一。不断创新,为客户创造价值,是榴莲视频官网APP直接进入的使命!

      {dede:global.cfg_tel/}
      网站地图